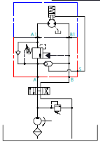
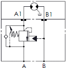
MM 油壓馬達直結油路板
?
-
主訂購代號 流量
(l/min)堆疊高度(mm) MM-60-CAK-X-Y-Z01 60 60.0 -
主訂購代號 流量
(l/min)堆疊高度(mm) MM-60-CAW-X-Y-Z01 60 60.0 -
主訂購代號 流量
(l/min)堆疊高度(mm) MM-60-CDK-X-Y-Z01 60 60.0 -
主訂購代號 流量
(l/min)堆疊高度(mm) MM-60-KAB-X-Y-Z01 60 32.0 -
主訂購代號 流量
(l/min)堆疊高度(mm) MM-75-KAB-X-Y-Z01 75 32.0
