減壓/洩壓閥
?-
- pressure :
- 350(11)
- YOUR SELECTIONS :
- All
| 作動 | 液壓符號 | 類別 | 主訂購代號 | 流量 (l/min) |
壓力 (bar) |
成型孔 |
-
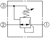
3 ports 
直動型
PD-11A-30 40 350 11A-3 PD-2A-30 80 350 2A-3 PD-17A-30 160 350 17A-3 PD-19A-30 320 350 19A-3 -
3 ports 
直動型
外部元件為不鏽鋼材質
PD-11A-30-_-LP 40 350 11A-3 -
3 ports 
直動型
不可調
PD-11A-30-_-_-040 40 350 11A-3 -
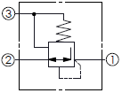
3 ports 
導壓操作型減洩壓閥
PP-11A-30 40 350 11A-3 PP-11A-33 40 350 11A-3 PP-2A-30 80 350 2A-3 PP-2A-33 80 350 2A-3 PP-17A-30 160 350 17A-3 PP-17A-33 160 350 17A-3 PP-19A-30 320 350 19A-3 PP-19A-33 320 350 19A-3 -
3 ports 
平衡型減洩壓閥調節元件
帶8A2 插孔
PP-11A-33-Y-8 40 350 11A-3 PP-11A-30-Y-8 40 350 11A-3 PP-2A-30-Y-8 80 350 2A-3 PP-2A-33-Y-8 80 350 2A-3 PP-17A-30-Y-8 160 350 17A-3 PP-17A-33-Y-8 160 350 17A-3 PP-19A-30-Y-8 320 350 19A-3 PP-19A-33-Y-8 320 350 19A-3 -
3 ports 
直動型比例減洩壓閥
高壓型
PPD-11A-3D-_-_-74 20 350 11A-3 -
3 ports 
直動型降壓比例減洩壓閥
高壓型
PPC-11A-3D-_-_-74 20 350 11A-3 -
3 ports 
直動型降壓比例減洩壓閥
低內漏
高壓型
PPC-11A-3D-_-_-74-1 20 350 11A-3 -
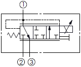
4 ports 
導壓操作減洩壓閥
外部透氣
PV-21A-40 40 350 21A-4 PV-22A-40 80 350 22A-4 PV-23A-40 160 350 23A-4 PV-24A-40 320 350 24A-4 -
4 ports 
導壓操作減洩壓閥
外部排油
PW-21A-40 40 350 21A-4 PW-22A-40 80 350 22A-4 PW-23A-40 160 350 23A-4 PW-24A-40 320 350 24A-4
