邏輯閥
?- YOUR SELECTIONS :
- All
| 作動 | 液壓符號 | 類別 | 主訂購代號 | 流量 (l/min) |
壓力 (bar) |
成型孔 |
-
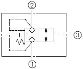
3 ports 
常閉型調壓元件
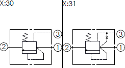
LR-163A-30 30 350 163A-3 LR-11A-30 60 350 11A-3 LR-11A-31 60 350 11A-3 LR-2A-30 120 350 2A-3 LR-2A-31 120 350 2A-3 LR-17A-30 240 350 17A-3 LR-17A-31 240 350 17A-3 LR-19A-30 480 350 19A-3 LR-19A-31 480 350 19A-3 -
3 ports 
常閉型調壓元件
快速反應型
LR-11A-31-Y-N-85 60 350 11A-3 LR-2A-31-Y-N-85 120 350 2A-3 -
3 ports 
常閉型調壓元件
******流量: 6 LPM
LR-11A-36 6 350 11A-3 -
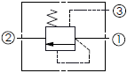
3 ports 
變量泵浦預載閥\節流孔
LR-11A-32 60 350 11A-3 -
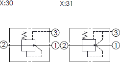
3 ports 
常開型調壓元件
LP-11A-30 60 350 11A-3 LP-11A-31 60 350 11A-3 LP-2A-30 120 350 2A-3 LP-2A-31 120 350 2A-3 LP-17A-30 240 350 17A-3 LP-17A-31 240 350 17A-3 LP-19A-30 480 350 19A-3 LP-19A-31 480 350 19A-3 -
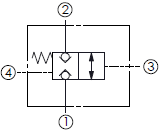
3 ports 
彈簧偏位關
油口1為透氣壓力源
LO-11A-3A 95 350 11A-3 LO-2A-3A 200 350 2A-3 LO-17A-3A 380 350 17A-3 LO-19A-3A 760 350 19A-3 -
3 ports 
彈簧偏位關
油口2為透氣壓力源
LO-11A-3B 95 350 11A-3 LO-2A-3B 200 350 2A-3 LO-17A-3B 380 350 17A-3 LO-19A-3B 760 350 19A-3 -
3 ports 
彈簧偏位關
油口3為外導壓口
LO-11A-3C 95 350 11A-3 LO-2A-3C 200 350 2A-3 LO-17A-3C 380 350 17A-3 LO-19A-3C 760 350 19A-3 -
3 ports 
彈簧偏位關
油口1或2任一較高壓口為透氣壓力源
LO-11A-3D 95 350 11A-3 LO-2A-3D 200 350 2A-3 LO-17A-3D 380 350 17A-3 LO-19A-3D 760 350 19A-3 -
3 ports 
彈簧偏位開
油口3為外導壓口
LO-11A-3E 95 350 11A-3 LO-2A-3E 200 350 2A-3 LO-17A-3E 380 350 17A-3 LO-19A-3E 760 350 19A-3 -
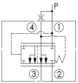
3 ports 
非平衡型提動軸
透氣開閥
帶8A2/08W2控制插孔
彈簧偏位關
油口1為透氣壓力源
LO-11A-3A 95 350 11A-3 LO-2A-3A 200 350 2A-3 LO-17A-3A 380 350 17A-3 LO-19A-3A 760 350 19A-3 -
3 ports 
非平衡型提動軸
透氣開閥
帶8A2/08W2控制插孔
彈簧偏位關
油口2為透氣壓力源
LO-11A-3B 95 350 11A-3 LO-2A-3B 200 350 2A-3 LO-17A-3B 380 350 17A-3 LO-19A-3B 760 350 19A-3 -
3 ports 
非平衡型提動軸
透氣開閥
帶8A2/08W2控制插孔
彈簧偏位關
油口1或2任一
較高壓口為透氣壓力源
LO-11A-3D 95 350 11A-3 LO-2A-3D 200 350 2A-3 LO-17A-3D 380 350 17A-3 LO-19A-3D 760 350 19A-3 -
3 ports 
導壓開
彈簧偏位關
非平衡型提動軸元件
LC-11A-3C 60 350 11A-3 LC-2A-3C 120 350 2A-3 LC-17A-3C 240 350 17A-3 LC-19A-3C 480 350 19A-3 -
3 ports 
全平衡型
常閉邏輯元件
LB-11A-3S 60 350 11A-3 LB-2A-3S 120 350 2A-3 LB-17A-3S 240 350 17A-3 LB-19A-3S 480 350 19A-3 -
4 ports 
全平衡型
常閉邏輯元件
LB-21A-4S 60 350 21A-4 LB-22A-4S 120 350 22A-4 LB-23A-4S 240 350 23A-4 LB-24A-4S 480 350 24A-4 -
3 ports 
全平衡型
常開邏輯元件
LN-11A-3S 60 350 11A-3 LN-2A-3S 120 350 2A-3 -
4 ports 
全平衡型
常開邏輯元件
LN-21A-4S 60 350 21A-4 LN-22A-4S 120 350 22A-4 LN-23A-4S 240 350 23A-4 -
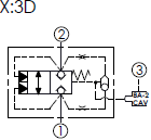
4 ports 
旁通限流型壓力補償元件
LR-10W-40 38 240 10W-4 LR-12W-40 80 240 12W-4 -
4 ports 
旁通, 節流型
優先流量調節元件
LR-31A-41 60 350 31A-4
